INFINEON英飛凌生產的TLE92464EDHP 4-Ch螺線管驅動IC提供了高精度的性能,設計用于控制自動變速器、電子穩定控制和主動懸掛應用中的四個線性螺線管。與現有的TLE92464ED相比,最初的TLE92464EDHP提供小于±3mA至1200mA,小于±0.8%至1200mA(包括老化)。
英飛凌TLE92464EDHP 4-Ch電磁驅動器IC可編程目標電流從0到1500mA,分辨率為15位,支持抖動電流高達1800mA。抖動發生器在程序電流設定值上疊加具有可編程幅值和頻率的三角形或梯形波形。通過包括驅動晶體管和電流傳感電阻,減少了外部組件的數量。該TLE92464EDHP符合ISO 26262標準,并在PG-DSO-36-72小電源包中達到ASIL提供的安全級別。
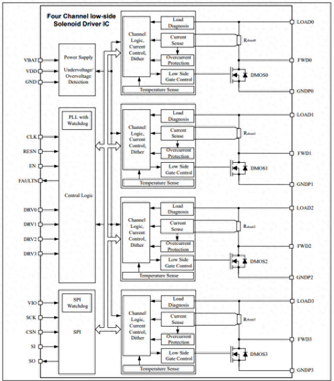
應用框圖

封裝引腳圖

特性
電流控制精度高
初始值小于±3mA至1200mA (T(J) = -40 - 150°C, V(BAT) = 9V - 16V)
小于±0.8%至1200mA包括老化(T(J) = -40 - 150°C, V(BAT) = 9V - 16V)
≤±1%至1500mA包括老化(T(J) = -40 - 150°C, V(BAT) = 6V - 18V)
四個獨立的帶集成mosfet的低側通道(R(DSon) = 115毫歐)
可編程設定值從0 mA到1.5A
負載電流包括抖動1.8A
并聯通道模式下的電流2.7A
集成抖動發生器可編程的振幅,頻率和波形
15位電流設定點分辨率
集成感應電阻RSHUNT = 140毫歐
對大負載電源電壓變化具有良好的抗擾性
在V(DD)引腳處工作至3.5V
32位SPI與8位CRC和SPI看門狗
復雜的保護和診斷功能,每個通道在開和關狀態
每個通道獨立的熱關閉
診斷功能(開負載、短路接地、過流)
電壓監測
超溫保護
兩個獨立的電流反饋路徑
集成系統時鐘與時鐘看門狗
溫度范圍-40°C至175°C
小型電源包PG-DSO-36-72
綠色產品(符合RoHS標準)
無鉛(符合RoHS標準)包裝
AEC-Q100 0級合格
ISO 26262安全元件脫離了ASIL C的安全要求
應用領域
可變力螺線管(例如自動變速器和e軸)
其他恒流螺線管
怠速空氣控制
廢氣再循環
蒸汽閥門管理
懸架控制
詢價列表 ( 件產品)
哦! 它是空的。