MICRONE/微盟生產的ME8100系列是一個高性能的綠色能源離線電源控制器。它具有一個可伸縮的用于驅動外部NPN或MOSFET驅動器線電壓切換晶體管。這種專有的架構把許多先進的功能,集成到小型封裝(TO-92),從而得到最低的成本解決方案。ME8100設計有6個內部的終端,是一個脈沖頻率和脈沖寬度調。IC采用靈巧的包裝方式。將內部終端包裝在以節省空間的TO-92封裝內,65kHz開關頻率可提供在400或800mA電流限制。在待機狀態下,IC的功能僅消耗0.15W。ME8100是非常適用于高性能通用適配器和充電器。
ME8100特點
●最低的總成本解決方案
●0.15W待機功耗
●發射極驅動器允許安全NPN反激式使用
●打嗝模式短路
●電流模式操作
●過電流保護
●欠電壓保護,自動重啟
●專有可擴展輸出驅動
●靈活的包裝選項(包括TO-92)
●65kHz的開關頻率
●可選擇0.4A至0.8A電流限制
ME8100典型用途
電池充電器
電源適配器
備用電源
家電
通用離線電源
封裝形式
3-pin TO92
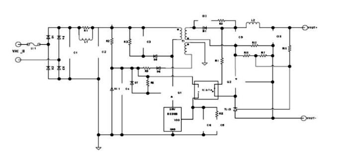
典型應用電路

詢價列表 ( 件產品)
哦! 它是空的。