NXP恩智浦的S32K1系列32位AEC-Q100認證的MCU結合了基于Arm?Cortex?-M的可擴展系列微控制器,這些微控制器基于持久功能構建,并具有一套全面的量產級工具,支持高達ASIL B功能安全的汽車和工業應用。

S32K1 MCU具備超低功耗工作模式,具有恩智浦固件的加密安全引擎以及具有低級驅動程序和FreeRTOS?操作系統的汽車級軟件開發套件。S32K1 MCU采用QFN、LQFP和MAPBGA封裝。
特性
48MHz Cortex-M0+內核或80/112MHz Cortex-M4F內核
128KB至2MB閃存,帶ECC。高達4KB EEPROM
12位1Msps ADC,16位FlexTimer,具有死區插入和故障檢測功能
可擴展的低功耗運行和停止模式。快速喚醒、時鐘和電源門控
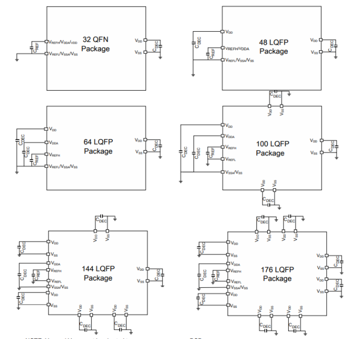
提供QFN,LQFP和MAPBGA封裝。溫度范圍-40至125/150°C,至少15年長期供貨保證
獲得AEC-Q100認證
0級:-40°C至+150°C Ta
1級:-40°C至+125°C Ta
2級:-40°C至+105°C Ta
功能完全符合ISO 26262標準,高達ASIL B級
硬件和軟件看門狗、時鐘/電源/溫度監測儀
功能安全文件和SafeAsure網絡社區支持
CSEc安全引擎 - AES-128, 安全啟動和密鑰存儲
以太網(10/100Mbit/s), CAN FD, FlexIO (UART, I2C, SPI, I2S, LIN, PWM...), 串行音頻接口, QSPI
S32 Design Studio IDE:Eclipse、GCC和調試器
量產級S32軟件開發套件(S32 SDK):符合SPICE 3級標準,經過MISRA測試
恩智浦AUTOSAR?MCAL(符合ISO 26262和QM標準)和操作系統
恩智浦提供的安全固件
面向功能安全應用的內核自檢庫
符合量產級ASIL標準的實時驅動程序(RTD)支持
面向MATLAB?和Simulink?的基于模型的設計工具箱(MBDT),FreeMASTER (Lite)加上電機控制應用優化(MCAT)工具,以及汽車數學和電機控制庫(AMMCLib)集
第三方生態合作體系支持,加速產品面市時間
應用
工業控制
數據總線和電池管理
智能照明
智能電源插座和電燈開關
樓宇安全
水表
熱量計量
燃氣表
電機驅動器
電網與配電
航空電子
智能家居
中小家電
大型家用電器
家庭安保與監視
汽車電子
主動懸架
儀表板
制動與穩定控制
變速器與變速箱
摩托車發動機控制單元(ECU)和小型發動機控制
無線固件(FOTA)
暖通空調(HVAC)
柴油發動機管理
汽車先進外部照明
汽車區域控制器
混合動力汽車(HEV)應用
電池管理系統(BMS)

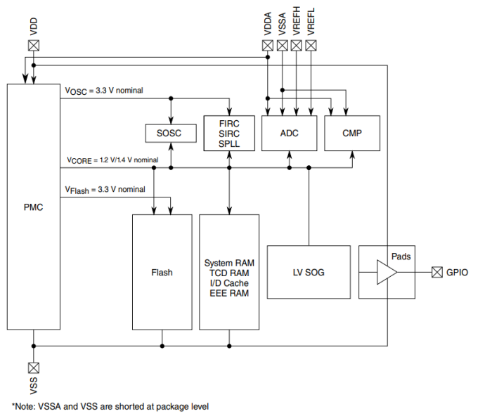
S32K1系列功能方框圖

封裝引腳圖

功率圖
如果您需要采購或者了解NXP恩智浦和其他進口品牌相關芯片產品的數據手冊、規格書、價格、樣品測試請聯系我們。
詢價列表 ( 件產品)
哦! 它是空的。