邁來芯 MLX80002 是一款面向采用本地互連網絡 (LIN) 協議的低速車輛串行數據網絡通信應用的雙通道物理層器件。
該器件設計符合 LIN 協議規范包 2.x 以及 SAE J2602 標準對物理層的定義。

由于 MLX80002 在隱性狀態下的電流消耗非常低,因此非常適合對待機電流有嚴格要求的 ECU 應用。高級休眠模式功能可關斷整個主節點。該器件包含的喚醒功能可檢測到傳入的顯性 LIN 消息,然后使能穩壓器。
特性和優勢
符合 LIN 2.x/SAE J2602 標準
雙通道獨立增強型主收發器功能
占用面積極小 (QFN4x4),最大限度減少了外部組件數
四通道/雙通道型號采用相同封裝和尺寸,設計的成本/空間得到了優化
轉換速率選擇和高速閃存模式
工作電壓 (VS) 范圍寬達 5 V 至 27 V
完全兼容 3.3V 和 5V 器件
休眠模式下的待機電流消耗極低,僅為 10μA
WAKE 輸入可實現本地喚醒功能
遠程和本地喚醒源識別
外部組件的控制輸出 INH
集成LIN 主節點和從節點的端(電阻和去耦二極管)
從節點配置下提供 TxD 顯性超時功能
主節點配置下提供 RxD 顯性超時功能
休眠定時器
低 EME(發射)和高 EMI(抗擾)水平
LIN 引腳阻抗高,可應對接地端或電池缺失的情況
ESD 穩健性增強

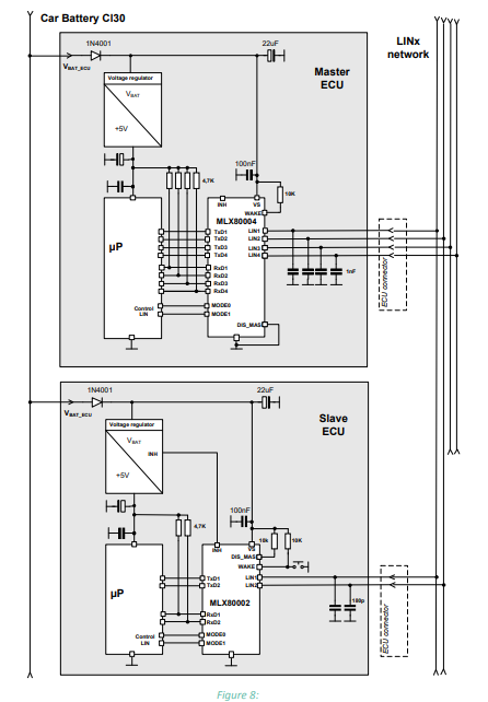
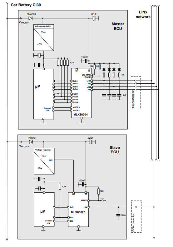
方框圖

引腳說明

使用具有最小化外部組件和LIN對地短路功能的增強型主模式的應用示例

使用標準收發器模式的應用示例
詢價列表 ( 件產品)
哦! 它是空的。