新唐N76E003AT20是一款嵌入式閃存型、基于1T 8051的8位高性能微控制器。該指令集與標準80C51完全兼容,并增強了性能。
N76E003包含一個名為APROM的高達18K字節的主閃存,其中包含用戶代碼的內容。N76E003閃存支持應用程序內編程(IAP)功能,可實現片上固件更新。IAP還可以將用戶代碼陣列的任何塊配置為非易失性數據存儲器,由IAP寫入,并由IAP或MOVC指令讀取。還有一個名為LDROM的附加閃存,引導代碼通常駐留在其中,用于執行系統內編程(ISP)。LDROM大小可配置為最大4K字節。為了便于編程和驗證,Flash允許通過并行寫入器或在線編程(ICP)進行電子編程和讀取。一旦確認了代碼,用戶就可以鎖定代碼以確保安全。

N76E003提供豐富的外圍設備,包括256字節的SRAM、768字節的輔助RAM(XRAM)、多達18個通用I/O、兩個16位定時器/計數器0/1、一個帶三通道輸入捕獲模塊的16位定時器2、一個看門狗定時器(WDT)、一個自喚醒定時器(WKT)、,兩個帶幀錯誤檢測和自動地址識別的UART,一個SPI,一個I2C,五個增強型PWM輸出通道,用于所有I/O的八通道共享引腳中斷,以及一個12位ADC。外圍設備配備了18個具有4級優先級中斷能力的源。
N76E003配備了三個時鐘源,并支持通過軟件進行動態切換。三個時鐘源包括外部時鐘輸入、10 kHz內部振蕩器和一個16 MHz內部精密振蕩器,該振蕩器在室溫下工廠微調至±1%。N76E003提供了額外的電源監控檢測,如通電復位和4級斷電檢測,這為高可靠性系統設計穩定了通電/斷電序列。
N76E003微控制器的操作消耗非常低的功率,具有兩種經濟的功率模式
降低功耗-空閑和斷電模式,可通過軟件選擇。空閑模式關閉CPU時鐘,但允許繼續外圍設備操作。斷電模式會停止整個系統時鐘,以實現最低功耗。N76E003的系統時鐘也可以通過軟件時鐘分頻器來降低,這使得執行性能和功耗之間具有靈活性。
憑借高性能CPU核心和豐富的精心設計的外圍設備,N76E003可以滿足通用、家用電器或電機控制系統的要求。
特征
CPU:
全靜態設計8位高性能1T8051 CMOS微控制器。
與MCS-51完全兼容的指令集。
4優先級中斷功能。
雙數據指針(DPTR)。
操作:
寬電源電壓從2.4V到5.5V。
寬工作頻率高達16 MHz。
工業溫度等級:-40℃~+105℃。
內存:
用戶代碼最多18K字節的APROM。
可配置4K/3K/2K/1K/0K字節的LDROM,為用戶開發的引導代碼提供了靈活性。
閃存,每個頁面128字節。
內置應用程序可編程(IAP)。
為安全起見,代碼鎖定。
256字節片上RAM。
MOVX指令訪問的額外768字節片上輔助RAM(XRAM)。
時鐘源:
當VDD為5.0V時,16 MHz高速內部振蕩器微調至±1%,在所有條件下均為±2%。
10kHz低速內部振蕩器。
外部時鐘輸入。
通過軟件進行動態時鐘源切換。
可編程系統時鐘分頻器,最高可達1/512。
外圍設備:
最多17個通用I/O引腳和一個僅限輸入的引腳。所有輸出引腳都具有單獨的2電平轉換速率控制。
兩個與標準8051兼容的16位定時器/計數器0和1。
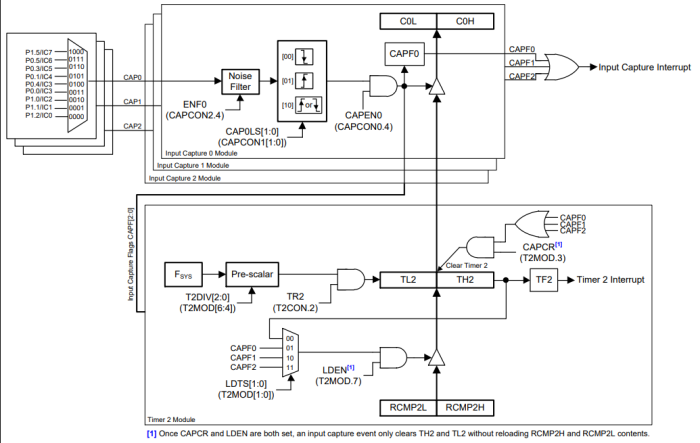
可以選擇一個帶有三通道輸入捕獲模塊和9個輸入引腳的16位定時器2。
一個16位自動重新加載定時器3,它可以是UART的波特率時鐘源。
定時器的一個16位PWM計數器中斷。
一個可編程看門狗定時器(WDT),由專用10kHz內部電源計時。
一個專用的自喚醒定時器(WKT),用于省電模式的自定時喚醒。
兩個全雙工UART端口,具有幀錯誤檢測和自動地址識別功能。TXD和
UART0的RXD引腳可通過軟件進行交換。
一個SPI端口,具有主模式和從模式,當系統時鐘為16 MHz時,最高可達8 Mbps。
一條I2C總線,具有主模式和從模式,數據速率高達400 kbps。
三對,六路脈寬調制器(PWM)輸出,可選擇10個輸出引腳。,高達16位分辨率,具有不同的模式和用于電機控制的故障制動功能。
引腳中斷的八個通道,所有I/O端口共享,邊緣/電平配置可變
偵查
一個12位ADC,高達500 ksps的轉換速率,硬件觸發和轉換結果比較
便于電機控制。
電源管理:
兩種功率降低模式:怠速和斷電模式。
電源監視器:
帶低功率模式的Brown out detection(BOD)可用,4級選擇,中斷或重置選項。
上電復位(POR)。
強大的ESD和EFT免疫力。
開發工具:
具有KEILTM開發環境的Nuvoton片上調試器(OCD)。
Nuvoton在線編程器(ICP)。
Nuvoton通過UART進行系統內編程(ISP)。
應用
家電
電子玩具
電動工具
電子門鎖
引腳

方框圖

定時器2自動重新加載模式和輸入捕獲模塊功能框圖

詢價列表 ( 件產品)
哦! 它是空的。