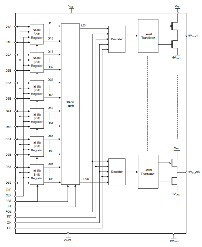
MICROCHIP/微芯HV582GA-G是具有推挽輸出的單極、96通道低電壓串行到高電壓并行轉換器。該設備專為需要具有電流吸收和來源功能的多個高壓輸出的應用而設計,如等離子體顯示器和噴墨打印機。
該器件由六個并行的16位移位寄存器、一個96位鎖存器和96個高壓輸出組成。移位寄存器工作在30MHz,由于并行排列,允許180MHz的數據速率。

HV582GA-G采用169球10 x 10 x 1.1 mm TFBGA封裝。
HV582GA-G特征
96個高壓通道
高達80V的工作輸出電壓
75 mA峰值輸出吸收/源電流
六個并行16位移位寄存器
順時針和逆時針數據
通過DIR引腳切換
30 MHz數據速率
HV582GA-G應用
交流等離子體數據驅動器
噴墨打印機驅動程序
3D打印機驅動程序
HV582GA-G方框圖

HV582GA-G引腳

HV582GA-G典型應用程序框圖

詢價列表 ( 件產品)
哦! 它是空的。