MAX3082CPA具有低擺率驅動器,可充分降低EMI并減少因電纜端接不當引起的反射,從而實現高達115kbps的無誤差數據傳輸。
MAX3082CPA收發器在空載時或滿載禁用驅動器時的典型電源電流消耗為375μA。

MAX3082CPA具有1/8單位負載接收器輸入阻抗,支持總線連接多達256個收發器。MAX3082CPA用于半雙工通信。
參數
類型:收發器
電源電壓:4.75V~5.25V
數據速率:115Kbps
驅動器/接收器:1/1
工作溫度:0℃~+70℃
封裝:PDIP-8
應用
RS-422/RS-485通信
電平轉換器
適用于EMI敏感應用的收發器
工業控制局域網
引腳圖

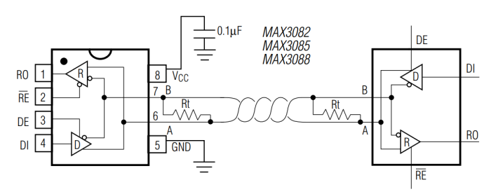
典型電路原理圖

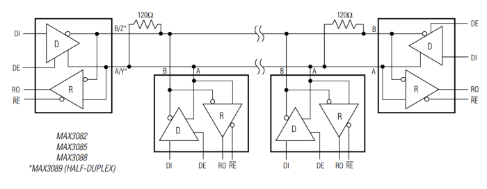
典型的半雙工RS-485網絡電路圖

詢價列表 ( 件產品)
哦! 它是空的。