ADI亞德諾生產的MAX487ESA是用于RS-485與RS-422通信的低功耗收發器,MAX487ESA具有一個驅動器和一個接收器。MAX487ESA具有限擺率驅動器,可以減小EMI,并降低由不恰當的終端匹配電纜引起的反射。實現最高250kbps的無差錯數據傳輸。

MAX487ESA收發器在驅動器禁用的空載或滿載狀態下,吸取的電源電流在120μA至500uA之間。
MAX487ESA具有低電流關斷模式,僅消耗0.1μA電流。所有器件都工作在5V單電源下。驅動器具有短路電流限制,并可以通過熱關斷電路將驅動器輸出置為高阻狀態,防止過度的功率損耗。接收器輸入具有失效保護特性,當輸入開路時,可以確保邏輯高電平輸出。
MAX487ESA具有四分之一單位負載的接收器輸入阻抗,使得總線上最多可以有128個MAX487收發器。MAX487ESA為半雙工應用設計。
優缺點
低功耗最大程度減少散熱、降低系統成本
120μA至500μA靜態電流
0.1μA關斷電流
5V單電源供電
限擺率驅動器(MAX483/MAX487/MAX488和MAX489)
數據率高達250kbps
不受限驅動器:數據率高達2.5Mbps
集成保護提高系統可靠性
短路限流驅動器
集成熱關斷
接收器失效保護,防止輸入開路
保證邏輯高電平
1/4單位負載(僅限MAX487/ MAX1487)允許同一總線上掛接多達128片器件
48kΩ接收器輸入電阻
應用
工業控制局域網
電平轉換器
低功耗RS-485收發器
用于EMI敏感應用的收發器
低功耗RS-422收發器

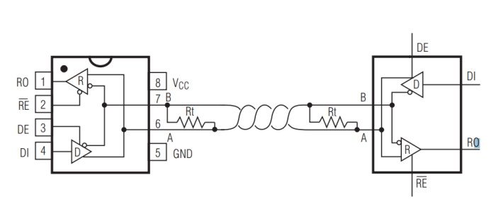
典型工作電路

引腳

驅動器/接收器時序測試電路
詢價列表 ( 件產品)
哦! 它是空的。