onsemi(安森美)MC14040BDR2G 12級二進制計數器由單片結構中的MOS P溝道和N溝道增強模式器件構成。該部分設計有輸入波形電路和12級紋波進位二進制計數器。該設備在時鐘脈沖的負向邊緣推進計數。

MC14040BDR2G的特點
?全靜態運行
?所有輸入的二極管保護
?電源電壓范圍=3.0 Vdc至18 Vdc
?能夠驅動兩個低功率TTL負載或一個
額定溫度下的低功率肖特基TTL負載
范圍
?公共復位線
?針?換?針CD4040B的更換
?用于汽車和其他需要的應用程序的NLV前綴
獨特的現場和控制變更要求;AEC?Q100
合格且具備PPAP能力
?這些設備不含鉛,符合RoHS標準
封裝:SOIC-16
MC14040BDR2G的應用
延時電路
計數器控制和頻率?驅動電路
MC14040BDR2G的引腳封裝圖


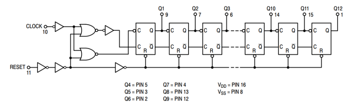
MC14040BDR2G的邏輯圖

MC14040BDR2G的時間?基準生成器圖

詢價列表 ( 件產品)
哦! 它是空的。