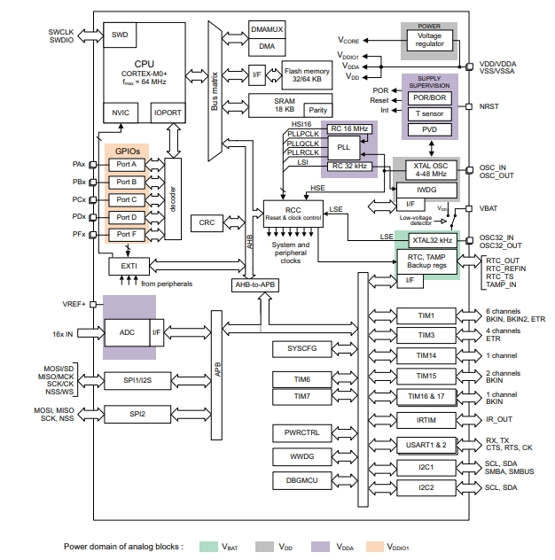
ST(意法半導體)生產的型號STM32G050K8T6屬于32位MCU微控制器,基于高性能Arm?Cortex?-M0+32位RISC內核,工作頻率高達64 MHz。它們提供了高級別的集成,適用于消費者、工業和家電領域的廣泛應用,并為物聯網(IoT)解決方案做好了準備。
STM32G050K8T6包括存儲器保護單元(MPU)、高速嵌入式存儲器(18 KB SRAM和高達64 KB閃存程序存儲器,具有讀保護、寫保護、專有代碼保護和安全區域)、DMA、廣泛的系統功能、增強的I/O和外圍設備。
STM32G050K8T6提供標準通信接口(兩個I2C、兩個SPI/一個I2S和兩個USART)、一個12位ADC(2.5 MSps),最多19個通道、一個低功耗RTC、一個高級控制PWM定時器、五個通用16位定時器、兩個看門狗定時器和一個SysTick定時器。

意法半導體STM32G050K8T6的中文參數
品牌:ST(意法半導體)
產品分類:32位MCU
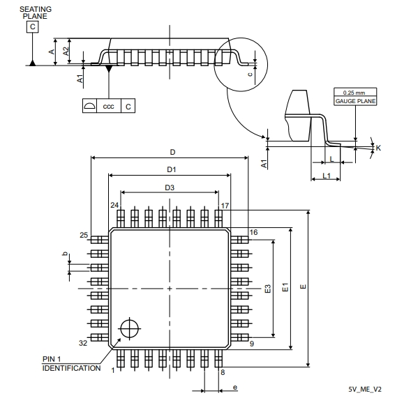
封裝:32-LQFP(7x7)
核心處理器:ARM Cortex-M0+
內核規格:32-位
速度:64MHz
連接能力:I2C,IrDA,LINbus,SPI,UART/USART
外設:欠壓檢測/復位,DMA,I2S,POR,PWM,WDT
程序存儲容量:64KB(64K x 8)
程序存儲器類型:閃存
EEPROM容量:-
RAM大小:18K x 8
電壓-供電(Vcc/Vdd):2V ~ 3.6V
數據轉換器:A/D 12b SAR
振蕩器類型:外部,內部
工作溫度:-40°C ~ 85°C(TA)
安裝類型:表面貼裝型
HTSUS:8542.31.0001
產品應用:高性能MCU
意法半導體STM32G050K8T6的功能特點
1、高性能:STM32G050K8T6采用Cortex-M0+內核,運行頻率高達64 MHz,具有優秀的處理性能。適用于需要快速響應的應用場景。
2、低功耗:STM32G050K8T6在運行模式下的功耗非常低,能夠滿足對電池壽命要求較高的應用,同時還支持多種低功耗模式,可實現節能目的。
3、多種接口:STM32G050K8T6集成了多種常用的接口,包括SPI、I2C、USART等,方便與外部設備進行通信。
4、豐富的外設:STM32G050K8T6集成了豐富的外設,如12位ADC、16位定時器、通用同步異步收發器、PWM控制器等,能夠滿足各種控制和測量應用的需求。
5、安全性:STM32G050K8T6提供了多種安全功能,包括獨立看門狗、旁路機制、硬件加速CRC等,有助于提升系統安全性和穩定性。
6、軟件支持:意法半導體提供了豐富的軟件支持,包括STM32 Cube軟件套件、HAL庫、RTOS支持等,有助于簡化開發過程。
意法半導體STM32G050K8T6的應用領域
STM32G050K8T6是一款低成本、低功耗、高性能的32位MCU微控制器,其主要應用領域如下:
1、工業自動化:STM32G050K8T6具有高性能和豐富的外設接口,適用于工業自動化領域,如工業控制、傳感器和執行器控制等。
2、物聯網(IoT)設備:由于其低功耗和小尺寸,STM32G050K8T6非常適合用于物聯網設備,如智能家居產品、智能傳感器等。
3、消費類電子產品:STM32G050K8T6可以在消費類電子產品中發揮作用,如智能手表、健身追蹤器、智能家居設備等。
4、醫療設備:在醫療設備中,STM32G050K8T6可以用于監測、運動和控制等應用,對于需要低功耗和高性能的設備來說尤其適用。
意法半導體STM32G050K8T6的引腳圖


意法半導體STM32G050K8T6的原理圖

意法半導體STM32G050K8T6的型號解釋圖

詢價列表 ( 件產品)
哦! 它是空的。