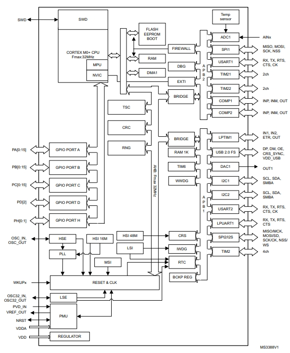
ST(意法半導體)生產的型號STM32L052T8Y6TR屬于32位MCU微控制器,STM32L0系列STM32L052T8Y6TR超低功耗微控制器結合了通用串行總線(USB2.0無晶體)的連接能力,高速嵌入式存儲器(64KB的閃存程序存儲器、2KB的數據EEPROM和8KB的RAM)以及廣泛的增強型I/O和外圍設備。STM32L052T8Y6TR提供高功率效率,可實現廣泛的性能。這是通過大量選擇內部和外部時鐘源、內部電壓自適應和幾種低功耗模式實現的。

STM32L052T8Y6TR提供多種模擬功能,一個帶硬件過采樣的12位ADC、一個DAC、兩個超低功耗比較器、幾個定時器、一個低功耗定時器(LPTIM)、三個通用16位定時器和一個基本定時器、一臺RTC和一個可用作時基的SysTick。它們還具有兩個看門狗,一個具有獨立時鐘和窗口功能的看門狗,以及一個基于總線時鐘的窗口看門狗。
此外,STM32L052T8Y6TR嵌入了標準和高級通信接口:最多兩個I2C、兩個SPI、一個I2S、兩個USART、一個低功耗UART(LPUART)和一個無晶體USB。這些設備提供多達24個電容感測通道,只需為任何應用程序添加觸摸感測功能。STM32L052T8Y6TR還包括一個實時時鐘和一組備用寄存器,它們在待機模式下保持通電。
STM32L052T8Y6TR的功能特點
1、低功耗特性:采用超低功耗的ARM Cortex-M0+內核,可以在多種低功耗模式下運行,以實現低功耗應用需求。
2、多種低功耗模式:包括待機模式、休眠模式、停機模式和低功耗運行模式等,可根據具體需求選擇合適的模式以達到節能的目的。
3、豐富的外設接口:具有多個通用IO引腳、SPI、I2C、USART和ADC等接口,方便與外部設備進行通信和連接。
4、內置存儲器:擁有64KB閃存和8KB RAM,可以存儲程序代碼和數據,并支持自主編程和固件更新。
5、多種通信協議支持:支持多種通信協議,包括SPI、I2C、UART和USB等,方便與其他設備進行數據交換和通信。
6、安全功能:具備硬件加密和校驗功能,可以提供數據的安全性和完整性。
7、溫度傳感器:內置溫度傳感器,可用于監測環境溫度。
STM32L052T8Y6TR的中文參數
品牌:ST(意法半導體)
產品分類:32位MCU
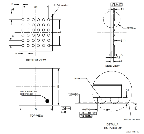
封裝:36-WLCSP
包裝:圓盤
核心處理器:ARM Cortex-M0+
內核規格:32-位
速度:32MHz
連接能力:I2C,IrDA,SPI,UART/USART,USB
外設:欠壓檢測/復位,DMA,I2S,POR,PWM,WDT
I/O數:29
程序存儲容量:64KB(64K x 8)
程序存儲器類型:閃存
EEPROM容量:2K x 8
RAM大?。?K x 8
電壓-供電(Vcc/Vdd):1.65V ~ 3.6V
數據轉換器:A/D 16x12b; D/A 1x12b
振蕩器類型:內部
工作溫度:-40°C ~ 85°C(TA)
安裝類型:表面貼裝型
基本產品編號:STM32L052
HTSUS:8542.31.0001
產品應用:超低功耗MCU
STM32L052T8Y6TR的應用領域
STM32L052T8Y6TR是一款低功耗微MCU控制器,適用于多種應用領域,其主要應用領域如下:
物聯網(IoT)設備:STM32L052T8Y6TR具有低功耗特性,適合用于物聯網設備,如傳感器節點、智能家居設備、智能城市設備等。
便攜式設備:由于其低功耗和小型封裝,STM32L052T8Y6TR適合用于便攜式電子設備,如可穿戴設備、智能手表、健康監測器等。
工業自動化:STM32L052T8Y6TR具有豐富的外設接口和強大的處理能力,可用于工業自動化領域,例如監控系統、工業控制器、數據采集器等。
智能照明:低功耗和高性能使得STM32L052T8Y6TR適用于智能照明系統,如智能燈具、光照控制器等。
嵌入式系統:STM32L052T8Y6TR擁有豐富的外設和通信接口,適合用于嵌入式系統,如電動工具、家電、安防系統等。
STM32L052T8Y6TR的引腳圖


STM32L052T8Y6TR的功能方框圖

STM32L052T8Y6TR的型號解釋圖

詢價列表 ( 件產品)
哦! 它是空的。