江蘇多維科技有限公司為滿足日益增長的電流傳感器高頻響、小型化的市場需求,推出了TMR7608和TMR7616系列電流傳感器芯片。該系列芯片產品整合了低導通阻抗的原邊導體和高精度的TMR線性傳感器,實現了原、副邊隔離條件下的精確、高帶寬的電流檢測。

產品特性
電流測量范圍:±10A~±65A;
電流響應時間: 帶寬范圍:DC~500kHz;
測量誤差:±1%(室溫工況);
原邊導體電阻:1mOhm;
絕緣耐壓強度:4.8kV(TMR7616),3kV(TMR7608);
爬電間隙:8.2mm(TMR7616),4mm(TMR7608)。
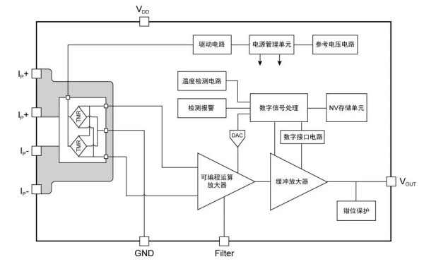
多維科技TMR7608和TMR7616系列電流傳感器芯片產品內置可編程、帶溫度補償的信號調理電路,保證了電流傳感器芯片在全溫區工況下(-40°~125°)的穩定檢測,同時,該系列產品采用了具備低輸出噪聲及高帶寬特性的TMR(隧道磁阻)技術,使芯片具有良好的分辨力和高帶寬檢測能力,適用于各種要求高帶寬、高精度的中小功率電流檢測應用。

TMR7608電流傳感器芯片功能框圖

TMR7616電流傳感器芯片功能框圖
多維科技TMR7608電流傳感器芯片系列產品采用SOP8封裝,TMR7616電流傳感器芯片系列產品采用SOPW16封裝。

SOP8(左)、SOPW16(右)封裝圖
產品選型表

多維科技(MDT)已為全球客戶穩定供貨xMR磁性傳感器產品十多年,新推出的TMR7608和TMR7616系列電流傳感器芯片產品,可應用于光伏逆變器、車載充電器、變頻器、電機驅動、電池管理系統等要求高功率密度和緊湊布局的電流檢測場合。
多維科技擁有先進的磁傳感器生產線及電流傳感器模組自動化生產線,TMR和AMR芯片年產能可達數十億顆,TMR角度傳感器芯片的年產能可達幾千萬顆。多維科技不僅具備大規模量產能力,而且經過多年的不斷累積,高度整合了供應鏈資源,為客戶穩定供貨和按時交貨提供了強有力的保證。
詢價列表 ( 件產品)
哦! 它是空的。