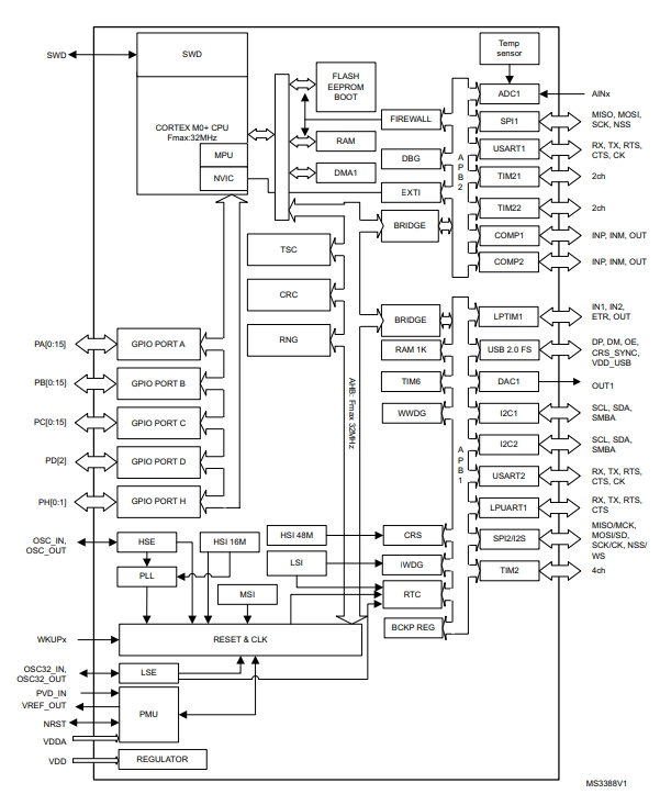
ST(意法半導體)的型號STM32L052K8U6屬于32位MCU微控制器,是超低功耗微控制器,結合了通用串行總線(USB 2.0無晶體)的連接能力、32 MHz頻率下運行的高性能Arm?Cortex?-M0+32位RISC內核、內存保護單元(MPU)、,高速嵌入式存儲器(64 KB的閃存程序存儲器、2 KB的數據EEPROM和8 KB的RAM)以及廣泛的增強型I/O和外圍設備。 STM32L052K8U6提供高功率效率,可實現廣泛的性能。這是通過大量選擇內部和外部時鐘源、內部電壓自適應和幾種低功耗模式實現的。

STM32L052K8U6提供多種模擬功能,一個帶硬件過采樣的12位ADC、一個DAC、兩個超低功耗比較器、幾個定時器、一個低功耗定時器(LPTIM)、三個通用16位定時器和一個基本定時器、一臺RTC和一個可用作時基的SysTick。它們還具有兩個看門狗,一個具有獨立時鐘和窗口功能的看門狗,以及一個基于總線時鐘的窗口看門狗。此外,STM32L052K8U6嵌入了標準和高級通信接口:最多兩個I2C、兩個SPI、一個I2S、兩個USART、一個低功耗UART(LPUART)和一個無晶體USB。這些設備提供多達24個電容感測通道,只需為任何應用程序添加觸摸感測功能。
STM32L052K8U6還包括一個實時時鐘和一組備用寄存器,它們在待機模式下保持通電。超低功率STM32L052K8U6在1.8至3.6 V電源(斷電時降至1.65 V)下運行,并帶有BOR選項,在1.65至3.6 V的電源下運行,無BOR選項。它們可在-40至+125°C溫度范圍內使用。一組全面的節能模式允許設計低功耗應用。
一、STM32L052K8U6的功能特點
1、核心性能:采用高性能的Arm Cortex-M0+ 32位RISC核心,運行頻率為32 MHz,配備了內存保護單元(MPU)。
2、內存:擁有64 Kbytes的Flash程序存儲器、2 Kbytes的數據EEPROM和8 Kbytes的RAM。
3、電源效率:提供高功率效率,支持多種內部和外部時鐘源、內部電壓自適應以及多種低功耗模式。
4、模擬功能:包括一個12位ADC(帶硬件過采樣)、一個DAC、兩個超低功耗比較器、多個定時器、一個低功耗定時器(LPTIM)、三個通用16位定時器和一個基本定時器、一個RTC和一個SysTick(可用作時基)。
5、通信接口:嵌入了標準和高級通信接口,包括最多兩個I2C、兩個SPI、一個I2S、兩個USART、一個低功耗UART(LPUART)和一個無晶體USB。
6、電源管理:操作電壓范圍為1.8至3.6 V(斷電時降至1.65 V),具有BOR(斷電復位)選項,可在-40至+85°C的溫度范圍內工作。
7、電容感測:提供多達24個電容感測通道,便于為任何應用添加觸摸感測功能。
8、備份寄存器:包含一組備份寄存器,這些寄存器在待機模式下仍然可以供電。
二、STM32L052K8U6的應用領域
STM32L052K8U6是一款超低功耗微控制器,其主要應用領域如下:
1、燃氣/水表和工業傳感器:由于其低功耗特性,適合用于需要長期電池供電的設備。
2、醫療保健和健身設備:可以用于健康監測設備,如心率監測器和健身追蹤器。
3、遠程控制和用戶界面:適用于智能家居設備和遠程控制系統。
4、PC外圍設備、游戲、GPS設備:可以用于個人電腦的外設和便攜式導航設備。
5、報警系統、有線和無線傳感器、視頻對講機:適用于安全系統和監控設備,以及其他需要低功耗和高可靠性的應用。
三、STM32L052K8U6的中文參數
品牌:ST(意法半導體)
產品分類:32位MCU
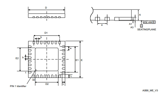
封裝:32-UFQFPN(5x5)
包裝:托盤
核心處理器:ARM Cortex-M0+
內核規格:32-位
速度:32MHz
連接能力:I2C,IrDA,SPI,UART/USART,USB
外設:欠壓檢測/復位,DMA,POR,PWM,WDT
I/O數:27
程序存儲容量:64KB(64K x 8)
程序存儲器類型:閃存
EEPROM容量:2K x 8
RAM大?。?K x 8
電壓-供電(Vcc/Vdd):1.65V ~ 3.6V
數據轉換器:A/D 10x12b; D/A 1x12b
振蕩器類型:內部
工作溫度:-40°C ~ 85°C(TA)
安裝類型:表面貼裝型
基本產品編號:STM32L052
HTSUS:8542.31.0001
產品應用:超低功耗MCU
四、STM32L052K8U6的引腳圖

五、STM32L052K8U6的原理圖

六、STM32L052K8U6的封裝圖

七、STM32L052K8U6的料號解釋圖

詢價列表 ( 件產品)
哦! 它是空的。