LM358B 和 LM2904B 器件是行業標準運算放大器 LM358 和 LM2904 的下一代版本,其中包括兩個高壓 (36V) 運算放大器。這些器件為成本敏感型應用提供了 卓越的價值,其特性包括低偏移(300μV,典型值)、 對地共模輸入范圍和高差分輸入電壓能力。 LM358B 和 LM2904B 運算放大器利用單位增益穩定 性、更低的失調電壓(最大值為 3mV;LM358BA 和LM2904BA 的最大值為 2mV)和更低的靜態電流(每 個放大器為 300μA,典型值)等增強型特性簡化了電 路設計。高 ESD(2kV,HBM)和集成 EMI 以及射頻 濾波器可支持將 LM358B 和 LM2904B 器件用于更嚴 苛、更具環境挑戰性的應用。 LM358B 和 LM2904B 放大器采用微型封裝(如 SOT23-8 ) , 以及行業標準封裝 ( 包 括 SOIC 、 TSSOP 和 VSSOP)。

LM358DR中文參數
品牌:TI德州儀器
類目:運算放大器
放大器數:雙路
壓擺率(SR):0.3V/us
輸入偏置電流(Ib):20nA
增益帶寬積(GBP):700kHz
輸出電流:40mA
每個通道供電電流:1mA
工作溫度:0℃~+70℃
放大器類型:通用
電路數:2
壓擺率:0.3 V/μs
增益帶寬積:700kHz
電流 - 輸入偏置:20nA
電壓 - 輸入失調:3mV
電流 - 電源:1mA
電流 - 輸出/通道:30mA
電壓 - 電源,單/雙(±):3 V ~ 32 V,±1.5 V ~ 16 V
工作溫度:0°C ~ 70°C
安裝類型:表面貼裝
封裝/外殼:8-SOIC(0.154",3.90mm 寬)
供應商器件封裝:8-SOIC
LM358DR特性
? 3V 至 36V 的寬電源電壓范圍(B、BA 版本)
? 靜態電流:300 μA/通道(B、BA 版本)
? 單位增益帶寬為 1.2 MHz(B、BA 版本)
? 共模輸入電壓范圍包括接地,支持近地直接感測
? 25°C 時的最大輸入失調電壓為 2 mV(BA 版本)
? 25°C 時的最大輸入失調電壓為 3 mV(A、B 版 本)
? 內部射頻和 EMI 濾波器(B、BA 版本)
? 對于符合 MIL-PRF-38535 標準的產品,所有參數 均經過測試,除非另有說明。對于所有其他產品, 生產流程不一定包含對所有參數的測試。
LM358DR應用
? 商用網絡和服務器電源單元
? 多功能打印機
? 電源和移動充電器
? 電機控制:交流感應、有刷直流、無刷直流、高 壓、低壓、永磁和步進電機
? 臺式計算機和主板
? 室內外空調
? 洗衣機、烘干機和冰箱
? 交流逆變器、串式逆變器、中央逆變器和變頻器
? 不間斷電源
? 電子銷售點系統
LM358DR的引腳和引腳功能


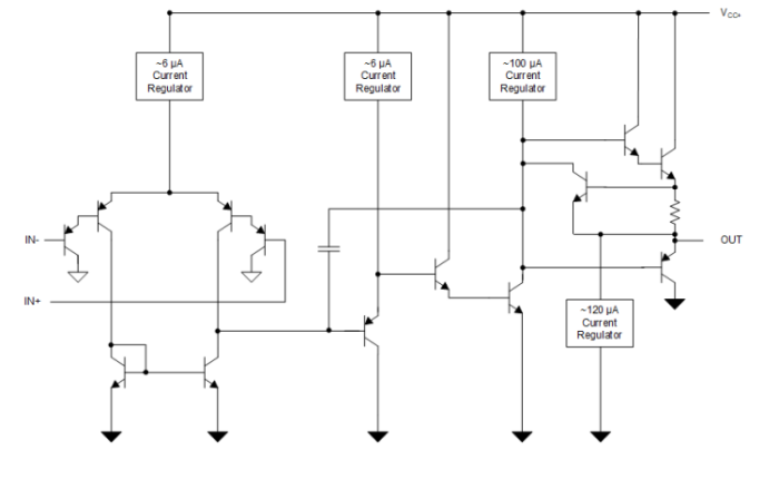
LM358DR的原理圖

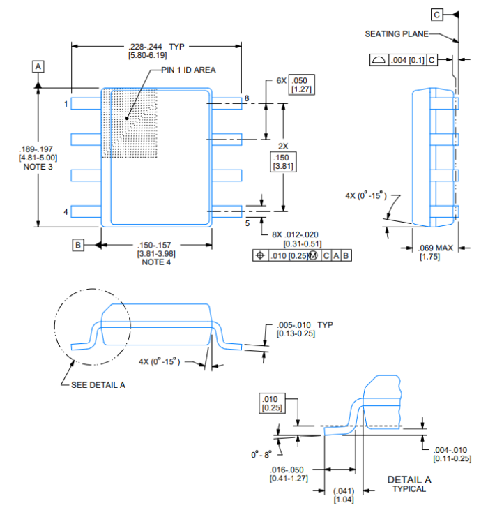
LM358DR的封裝

詢價列表 ( 件產品)
哦! 它是空的。